2020-11-12
信號繼電器其實就是控制信號的,是控制系統中常用的元器件,它用于接通和斷開電路,用以發布控制命令和反映設備狀態,以構成自動控制和遠程控制電路。而信號繼電器具有以下幾大類作用:
1)擴大控制范圍。例如,多觸點繼電器控制信號達到某一定值時,可以按觸點組的不同形式,同時換接、開斷、接通多路電路。
2)放大。例如,靈敏型繼電器、中間繼電器等,用一個很微小的控制量,可以控制很大功率的電路。
3)綜合信號。例如,當多個控制信號按規定的形式輸入多繞組繼電器時,經過比較綜合,達到預定的控制效果。
4)自動、遙控、監測。例如,自動裝置上的繼電器與其他電器一起,可以組成程序控制線路,從而實現自動化運行。
接下來我們給大家介紹歐姆龍信號繼電器 G6J系列:

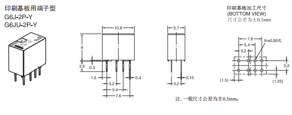
1、G6J信號繼電器特點:超小型、纖細型、表面安裝型、2級
高密度封裝對應。(寬5.7mm×長10.6mm×高9mm)
線圈接點間高耐電壓AC1,500V、而且耐沖擊電壓2.5kV 2×10μs。(Telcordia標準)
線圈與接點間、同極接點間均為FCC part68(1.5kV 10×160μs)標準。
備有1繞組閉鎖型,且考慮到節省能源。
標準型取得UL/CSA規格。
2、G6J信號繼電器性能參數:

3、G6J信號繼電器尺寸:

風雨雨里,廣州鼎悅電子一直在等你!
點擊咨詢
電話咨詢
QQ咨詢
微信咨詢
回到頂部